产品详情
自动裁切机
分享到:

自动裁切机

产品详情

产品简介:该设备用于手机某器件支架从钢带上裁切下料然后经翻转、变距后摆盘下料。


工艺内容:主要由钢带卷料供料系统、钢带步进及精定位系统、冲裁系统、机构及运动系统、料盘拆盘、叠盘系统、PLC控制系统等组成。要求产品无划伤,毛刺≤0.03mm。

自动裁切机.png
设备外观
自动裁切机.png1679280866273758.png
工艺流程

1ABUIABAABUIABAEGAAghuiHsQYogJG-tgYw0wM43gQEGAAghuiHsQYogJG-tgYw0wM43gQ679280866558373.png



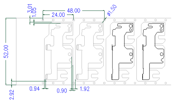
产品图纸





XXX省XXX市XXX县XXX路XXX号
登录
登录
其他账号登录:
留言
回到顶部