产品详情
Shield平面检测封装机
分享到:

Shield平面检测封装机

产品详情

产品简介:该设备用于手机PCB某Shield的平面度检测、及载带包装。具有精度高、速度快、品质稳定等特点。


工艺内容:主要由Shield供料系统、棱镜反射及视觉检测系统、载带填充及热封系统、机构及运动系统、上位机控制系统等组成。Shield尺寸2*4mm,由振动盘供料,经棱镜反射后由相机识别产品平面度,剔除NG品后将成品填入载带后计数热封收卷。该系统UPH:4500,7*24H不停机工作,良率超99%,为客户赶产提供了极大的帮助。

平面检测封装机2.png

设备外观

1679280716927179.png

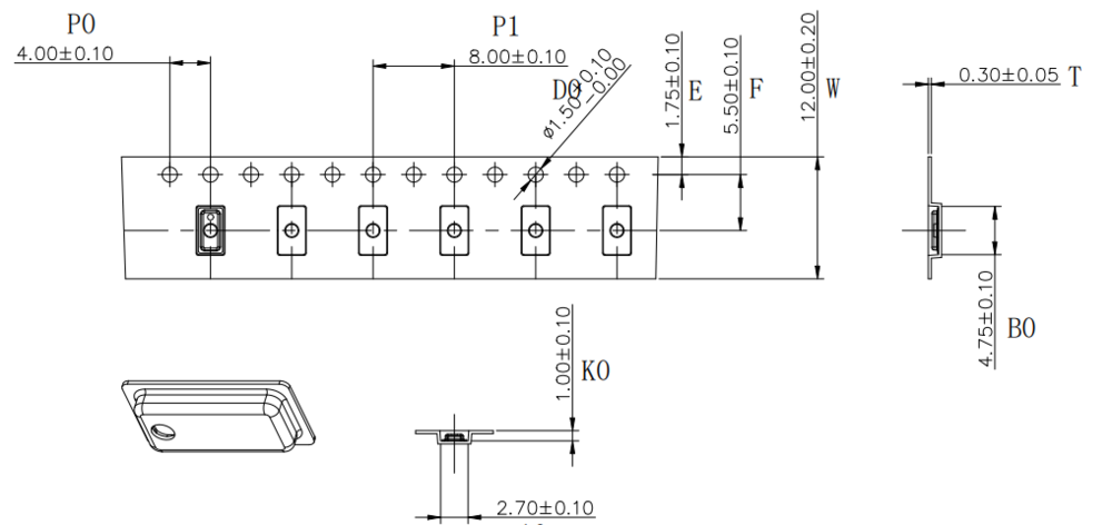
产品图纸

1679280716829577.jpg

CCD成像

1679280716985005.png

检测公差要求

XXX省XXX市XXX县XXX路XXX号
登录
登录
其他账号登录:
留言
回到顶部